Thi công trần Panel Inox cho nhà máy chế biến rau củ quả không chỉ đòi hỏi tính thẩm mỹ mà còn phải đảm bảo tiêu chuẩn vệ sinh an toàn thực phẩm, hiệu quả cách nhiệt, cách âm, chống cháy lan và độ bền cao trong môi trường sản xuất khắt khe. Giải pháp trần Panel Inox với cấu tạo EPS, lõi PU hai ngàm giúp hạn chế tối đa khe hở, chống bám bụi, dễ vệ sinh, tăng khả liên kết bền vững và chịu lực tốt, đáp ứng yêu cầu nghiêm ngặt của các nhà máy chế biến nông sản, thực phẩm tươi.
Quý khách hàng tại Hải Phòng (Hải Phòng + Hải Dương) có nhu cầu đặt mua các loại Panel, tìm kiếm đơn vị thi công vách, trần nhà máy, nhà xưởng. Vui lòng liên hệ đến SĐT hoặc Zalo: 0932.268.932 hoặc 093.555.6268 để được tư vấn, báo giá và hỗ trợ lên bản vẽ kỹ thuật chi tiết.
Nội dung chính
- 1 Thông tin công trình
- 2 Cấu tạo tấm Panel Inox lõi EPS hai ngàm PU
- 3 Ưu điểm khi thi công trần bằng Panel Inox EPS hai ngàm PU
- 4 Lưu ý khi thi công trần Panel Inox cho nhà máy tại Hải Phòng
- 5 Thiết kế mặt bằng thi công trần Panel Inox cho nhà máy
- 6 Hình ảnh thi công trần Panel Inox cho nhà máy rau củ quả
- 7 Đơn vị thi công vách trần Panel trọn gói cho nhà máy tại Hải Phòng
Thông tin công trình
- Công trình: THI CÔNG TRẦN CHO NHÀ MÁY CHẾ BIẾN RAU CỦ QUẢ
- Vật liệu: Panel Inox (lõi EPS, hai ngàm PU)
- Khối lượng: 800m2
- Thời gian thi công: 8 ngày
- Địa điểm: CCN Cao An, phường Việt Hòa, thành phố Hải Phòng (Cẩm Giàng, Hải Dương cũ)
- Đơn vị cung cấp & thi công: Mathome Việt Nam

Trước đó, Mathome Việt Nam cũng đã thực hiện thi công một số hạng mục cho Nhà máy chế biến rau củ quả tại Hải Phòng, bao gồm:
>> Thi công kho lạnh bảo quản: Lắp Đặt Hoàn Thiện Kho Bảo Quản Trái Cây Tại Hải Dương
>> Thi công trần cho nhà máy: Thi Công Trần Panel Inox Nhà Xưởng Sản Xuất Tại Hải Dương
>> Thi công mái cho nhà máy: 4.037m2 Panel Lợp Mái Cho Nhà Máy Sản Xuất Rau Củ Quả (Hải Dương)

Cấu tạo tấm Panel Inox lõi EPS hai ngàm PU
Panel Inox lõi EPS hai ngàm PU là vật liệu chính thi công trần cho Nhà máy chế biến rau củ quả tại Hải Phòng. Đây là dòng vật liệu xây dựng có dạng tấm dài và phẳng, sở hữu khả năng cách nhiệt tuyệt vời. Trong công trình lần này, loại Panel sử dụng có cấu tạo và kích thước như sau:
Cấu tạo 3 lớp:
- Lớp mặt ngoài thứ nhất: Tôn mạ hợp kim nhôm kẽm AZ50, màu trắng sữa, cán phẳng.
- Lớp lõi: Xốp EPS hạt đen chống cháy lan, hai ngàm PU tăng cứng.
- Lớp mặt ngoài thứ hai: Inox 304 2B, cán phẳng.
Thông số kỹ thuật:
| Độ dày tấm | 50 (mm) |
| Độ dày tôn | 0.40 (mm) |
| Độ dày inox | 0.40 (mm) |
| Tỷ trọng lõi | 16 (kg/m3) |
| Khổ hiệu dụng | 1120 (mm) |
| Chiều dài | 2250 (mm) |
Thiết kế này có phần khác biệt so với cấu tạo của các loại Panel EPS phổ thông (tôn + xốp EPS + tôn). Vậy thông số và thiết kế đặc biệt này mang lại những đặc tính và ưu điểm gì cho một vật liệu thi công trần?
Xem thêm: Panel EPS Hai Đầu PU – Lắp Đặt Trần Nhà Máy Sản Xuất Rau Củ Quả

Ưu điểm khi thi công trần bằng Panel Inox EPS hai ngàm PU
- Cấu tạo xốp EPS hạt đen: Cách nhiệt, cách âm, chống cháy lan, giảm tải trọng.
=> Phù hợp với môi trường nhà máy sản xuất chứa nhiều máy móc hoạt động với tần suất cao, nhiều tiếng ồn, tỏa ra nhiệt lượng lớn và tiềm ẩn nguy cơ hỏa hoạn.
- Cấu tạo ngàm PU: Tăng cứng, đảm bảo liên kết chặt chẽ, bền vững.
- Cấu tạo mặt tôn mạ hợp kim nhôm kẽm AZ50: Ít bám bụi, sạch sẽ, độ bền cao, khả năng chịu lực tốt.
- Cấu tạo mặt inox 304: Bền vững, chống nước, chống ẩm mốc, chống hóa chất, chống ăn mòn.
=> Phù hợp với môi trường sản xuất thực phẩm, cần đảm bảo độ sạch và đáp ứng tiêu chuẩn vệ sinh an toàn.
- Thiết kế tấm dài, phẳng, màu trắng và inox: Đảm bảo thẩm mỹ hiện đại, tối giản, phù hợp với môi trường sản xuất, công nghiệp.
- Sản xuất thành các tấm hoàn chỉnh theo yêu cầu: Tiết kiệm thời gian đo đạc, cắt xén, dễ dàng vận chuyển, lắp đặt.
- Phương thức thi công “lắp ráp”: Đẩy nhanh thời gian lắp đặt, linh động trong thi công và tháo dỡ, cơi nới, cải tạo, di dời và lắp đặt lại.
- Giá thành hợp lý: Giá thành vật tư thấp hơn so với chất lượng sản phẩm. Chi phí lắp đặt Panel thấp hơn so với mặt bằng chung giá thi công các loại trần sử dụng trong nhà máy.
=> Phù hợp với nguồn kinh phí và yêu cầu về tiến độ thi công trần Panel Inox trong nhà máy chế biến rau củ quả tại Hải Phòng.
Xem thêm: Báo Giá Vật Tư Và Thi Công Panel EPS Tại Hà Nội (2025)

Lưu ý khi thi công trần Panel Inox cho nhà máy tại Hải Phòng
Xuất phát từ chính đặc điểm của mặt bằng và vật liệu thi công, khi lắp đặt trần Panel Inox cho Nhà máy rau củ quả tại Hải Phòng, cần lưu ý 3 vấn đề sau:
Chiều cao cos trần: Vị trí thi công trần cách mặt đất 6m (tương đối cao).
- Xác định cao độ chuẩn ngay từ khâu đo đạc, thiết kế bản vẽ để tránh chênh lệch kích thước so với tường hoặc hệ thống khung.
- Sử dụng xe nâng để nâng hạ tấm, đẩy nhanh quá trình thi công, hạn chế cong vênh, biến dạng.
Trọng lượng tấm: Trọng lượng Panel Inox thường nặng hơn Panel EPS tôn xốp.
- Tính toán kỹ kết cấu treo và khung xương.
- Sử dụng hệ khung treo, ty ren, phụ kiện đạt tiêu chuẩn chịu lực.
Hệ thống đèn điện, quạt gió trên trần: Dày đặc, phức tạp.
- Bố trí đồng bộ ngay từ khi thiết kế, xác định vị trí đèn, quạt gió, PCCC để khoét lỗ chờ trên Panel.
- Sử dụng keo silicone hoặc phụ kiện chuyên dụng để đảm bảo kín khít, chống bụi và chống thấm.
- Tải trọng của các thiết bị treo trên trần phải được chuyển tải xuống hệ khung xương, không treo trực tiếp vào Panel.
- Kiểm tra kỹ an toàn điện và thông gió, đảm bảo hệ thống vận hành ổn định, không rung lắc ảnh hưởng đến trần Panel.
Xem thêm: Báo Giá & Hướng Dẫn 7 Bước Thi Công Tấm Trần Panel

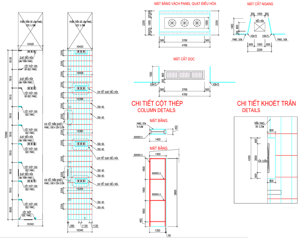
Thiết kế mặt bằng thi công trần Panel Inox cho nhà máy
Bản vẽ thiết kế mặt bằng thi công trần cho nhà máy rau của quản tại Hải Phòng bằng tấm Panel Inox lõi EPS hai ngàm PU tăng cứng:

Hình ảnh thi công trần Panel Inox cho nhà máy rau củ quả
Để hiểu rõ hơn về quá trình thi công trần Panel Inox lõi EPS hai ngàm PU cho Nhà máy chế biến rau củ quả tại Hải Phòng. Quý khách hàng hãy cùng theo dõi những hình ảnh trong quá trình vận chuyển. tập kết vật tư, thi công và hoàn thiện trần Panel dưới đây:












Đơn vị thi công vách trần Panel trọn gói cho nhà máy tại Hải Phòng
MATHOME nhận sản xuất, cung cấp, thi công và hướng dẫn thi công lắp đặt vách, trần Panel tôn xốp, Panel Inox cho nhà máy, nhà xưởng tại Hải Phòng (Hải Phòng + Hải Dương) và các tỉnh thành sau (danh sách tỉnh thành sau sáp nhập):
Miền Bắc: Hà Nội. Bắc Ninh. Hưng Yên. Hải Phòng. Quảng Ninh. Ninh Bình. Lào Cai. Tuyên Quang. Thái Nguyên. Phú Thọ. Cao Bằng. Lai Châu. Điện Biên. Sơn La. Lạng Sơn.
Miền Trung: Đà Nẵng. Huế. Thanh Hóa. Nghệ An. Hà Tĩnh. Quảng Trị. Quảng Ngãi. Gia Lai. Khánh Hòa. Bình Thuận. Đắk Lắk.
Miền Nam: TP HCM. Đồng Nai. Tây Ninh. Cần Thơ. Vĩnh Long. Đồng Tháp. Cà Mau. An Giang.
Mọi thông tin vui lòng liên hệ:
CÔNG TY CỔ PHẦN CÁCH NHIỆT MATHOME VIỆT NAM
Hotline 1: 0932 26 89 32
Hotline 2: 0935 55 62 68
Email: mathomegroup@gmail.com
Website 1: https://mathome.com.vn/
Website 2: http://tongkhoxaydung.com.vn/
Fanpage: https://www.facebook.com/mathomevietnam
- VPGD MIỀN BẮC: Số 10/12, Đường Khuất Duy Tiến, Phường Thanh Xuân, TP. Hà Nội.
- VPGD MIỀN NAM: Căn Số 7, Đường 270, KDC Nam Hòa, Phường Phước Long, TP. Hồ Chí Minh
- VPGD MIỀN TÂY: Tầng 3, Tòa STS Tower, 11B Đại Lộ Hoà Bình, Phường Ninh Kiều, TP. Cần Thơ
- Chi nhánh và nhà máy sản xuất tại: Hà Nội. Bắc Ninh. Hưng Yên. Đà Nẵng. Đồng Nai. Tây Ninh. Vĩnh Long. Cần Thơ, …
